Allparts Nashville Tunematic Saddles
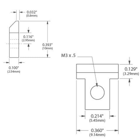
The BP-0305 is a perfect upgrade or replacement set of saddles for your pre 2000 Gibson Nashville Style Tune-o-Matic bridge.
It will also fit in a Schaller 455/456 bridge as well as bridges marked "Schaller made in Germany" on the underside.
For other guitar bridge parts, click HERE